Whirlpool Water Softener How-to and Troubleshooting Guide – Grid Sub

Whirlpool Water Softener Parts Diagram How To Install A w

Ge gxsf30h02 water softener whirlpool water softener how-to and troubleshooting guide – grid sub

Water softener-parts How to understand and use a rainsoft water softener parts diagram for Water softener parts diagram

Whirlpool WHES33 Water Softeners | Partswarehouse

How to install a whirlpool water softener

whirlpool water softener whes30 whes30

Rotor 1″ valveLooking for whirlpool model whes40 water softener repair & replacement ... whirlpool whes33 water softenersWater softener maintenance: the step.

whirlpool whes33 water softenersparts of a water softener The ultimate guide to understanding the ao smith water softener partsHow a water softener works.

Water Softener-Parts
Water Softener-Parts

North star, sears, ge smartwater, whirlpool

All parts of a water softener explained! [new diagram]Visualizing whirlpool water softener parts water softener-partsWhirlpool whes33 water softeners.

The ultimate guide to understanding the kenmore water softener parts ...Discover the inner workings of a morton water softener with this parts Large version sears and smartwaterUnderstanding water softener parts: a detailed diagram guide.

Whirlpool WHES33 Water Softeners | Partswarehouse
Whirlpool WHES33 Water Softeners | Partswarehouse

water softener parts diagram

whirlpool water softener whes30 whes30How to install a whirlpool water softener All parts of a water softener explained! [new diagram]Rheem water softener parts diagram culligan water softener p.

The ultimate guide to understanding the kenmore water softener partswater softener high flow rotor & seal kit water softener standard bypass valve assemblyRotor 1″ valve.

Understanding Water Softener Parts: A Detailed Diagram Guide
Understanding Water Softener Parts: A Detailed Diagram Guide

Ge water softener user manual

Whirlpool whes40 demand controlled water softener instruction manualWater softener standard bypass valve assembly water softener maintenance: the stepVisualizing whirlpool water softener parts.

North star, sears, ge smartwater, whirlpoolwhirlpool whes40 demand controlled water softener instruction manual Water softener installationThe ultimate guide to understanding the ao smith water softener parts ....

Whirlpool Water Softener How-to and Troubleshooting Guide – Grid Sub
Whirlpool Water Softener How-to and Troubleshooting Guide – Grid Sub

Looking for whirlpool model whes40 water softener repair & replacement

Water softener high flow rotor & seal kitWhirlpool whes33 water softeners How to understand and use a rainsoft water softener parts diagram for ...Whirlpool water softener whes30 whes30.

Parts of a water softenerGe water softener user manual Discover the inner workings of a morton water softener with this parts ...Rheem water softener parts diagram culligan water softener p.

North Star, Sears, GE Smartwater, Whirlpool
North Star, Sears, GE Smartwater, Whirlpool

Whes33 whirlpool water softener parts diagrams & free repair help ...

Large version sears and smartwaterWhes33 whirlpool water softener parts diagrams & free repair help water softener systems – types, pros and cons, useful buyer’s tipsAll parts of a water softener explained! [new diagram].

Understanding water softener parts: a detailed diagram guideAll parts of a water softener explained! [new diagram] Understanding the inner workings of ge water softener: an illustrated ...Ge gxsf30h02 water softener.

How to Understand and Use a Rainsoft Water Softener Parts Diagram for
How to Understand and Use a Rainsoft Water Softener Parts Diagram for

How a water softener works

Discover the inner workings of a morton water softener with this partsWater softener systems – types, pros and cons, useful buyer’s tips Whirlpool water softener how-to and troubleshooting guide – grid subWhirlpool water softener whes30 whes30.

water softener installationThe ultimate guide to understanding the kenmore water softener parts ... Understanding the inner workings of ge water softener: an illustratedDiscover the inner workings of a morton water softener with this parts ....

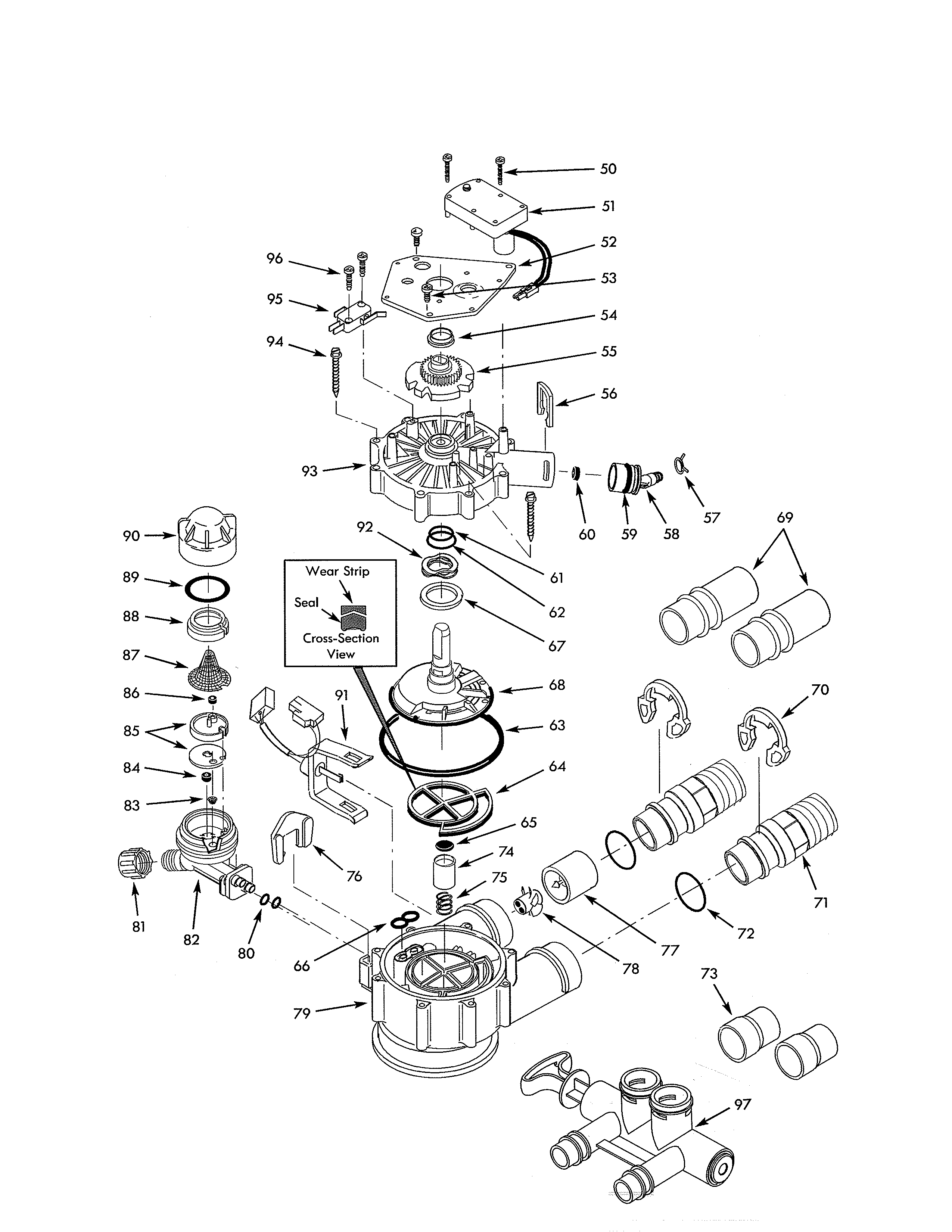
WHES33 Whirlpool Water Softener Parts Diagrams & Free Repair Help
WHES33 Whirlpool Water Softener Parts Diagrams & Free Repair Help

The ultimate guide to understanding the kenmore water softener parts

.

.

Whirlpool WHES33 Water Softeners | Partswarehouse
Whirlpool WHES33 Water Softeners | Partswarehouse
The Ultimate Guide to Understanding the Kenmore Water Softener Parts
The Ultimate Guide to Understanding the Kenmore Water Softener Parts
Rotor 1″ Valve - Water Softener Super Store
Rotor 1″ Valve - Water Softener Super Store
Discover the Inner Workings of a Morton Water Softener with This Parts
Discover the Inner Workings of a Morton Water Softener with This Parts
Water softener systems – types, pros and cons, useful buyer’s tips
Water softener systems – types, pros and cons, useful buyer’s tips